首页 > 通讯电缆

[同轴电缆] 关于同轴电缆拉力的计算?

P:2023-10-27 15:28:11

1

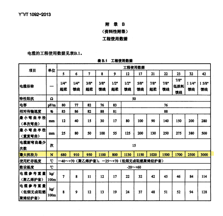
请为哪个大神知道这个标准中,不同电缆最大抗拉力怎么来的(例如1/4S电缆是680N,1/2"电缆是1130N)? 

一般来说导体抗拉强度乘以导体截面积求得最大拉力,但是这个通讯电缆行不通,内导体在拉断前如果有变形即内导体直径变小了,那阻抗就已经变化很大了。表格中的这个拉力应该是阻抗不发生大的变化的拉力值。

哪位大神知道这个最大抗拉力的出处,求计算公式?

image.png


submarine cable with central carrier - 中心载波海底电缆 (0) 投诉

P:2023-10-28 06:41:44

2

这种数据恐怕是实验结果,应该没有计算公式吧?

schort - 回线,环线,短线 (0) 投诉

P:2023-10-31 15:08:57

3

mfshuaigong:

这种数据恐怕是实验结果,应该没有计算公式吧?

我感觉也是实验测试的,就是想向各位大师确认下。

fairlead - 引线孔,引线管,导缆装置,缆索导轮,缆索导孔 (0) 投诉

P:2023-12-03 00:05:01

4

理论和实际的结合,同轴电缆安装连接器使用时,在电缆拉伸过程中受力部位主要是外导体,考虑外导体的抗拉力。

Information center of Wire and Cable Industry in China - 中国电线电缆行业信息中心 (0) 投诉

P:2023-12-06 11:45:23

5

直接用拉伸機拉

clad optical fiber - 包层光纤,包层光学纤维 (0) 投诉

P:2024-11-19 18:19:51

6

你好!我之前给江阴神宇通信开发过一款护套材料,低烟无卤环保阻燃辐照交联TPEE,密度1.3,很轻,耐温120-150左右,焊锡 不收缩。有需要加我微信13913355773

peroxide cross-linking reaction - 过氧化物交联反应 (0) 投诉

6


你需要登录才能发表,点击登录