电线电缆网 > 线缆原材料 > EN50620 材料性能要求(完整版)

EN50620 材料性能要求 - 无图版

1459886372 --- 2024-11-09 14:22:16

1

纯手码

image.png

Mack123 --- 2024-11-09 17:03:17

2

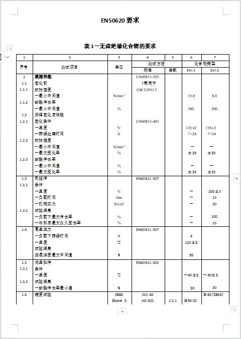
EV 50620 中材料性能和国标GB/T 33594中基本一致,没多大差异

-- 结束 --